Zündblitzpistole 2025
Diese
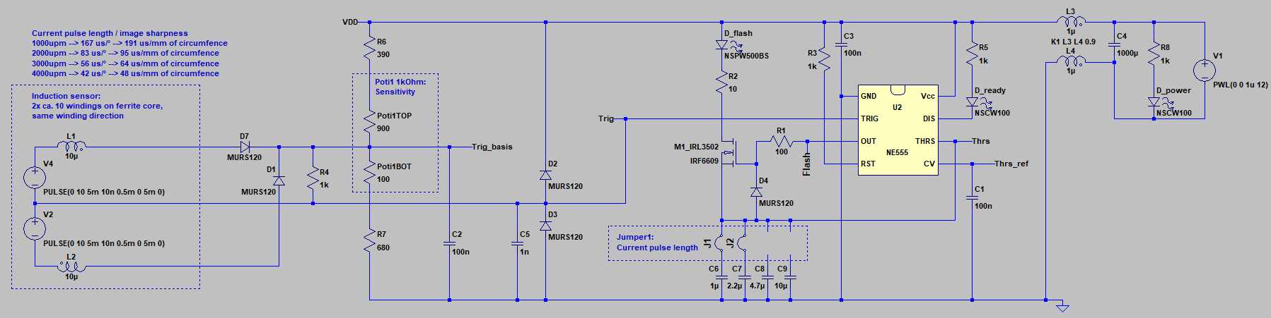
Schaltung erfasst den durch das Zündkabel fliessenden Strompuls und
wandelt ihn sauber und definiert in einen Lichtblitz mit einstellbarer
Leuchtzeit.
Als Sensor dient ein alter Klappferrit von einem alten Röhrenmonitor
(liegt schon etwas länger in der Kiste). Darauf sind zwei gleichsinnige Wicklungen
mit je 10 Windungen aus Klingeldraht (bzw. eine 20er Wicklung mit Mittelanzapfung). Das erzeugt auch bei schwachem
Zündfunken zwei Spannungspulse mit ausreichender Amplitude und
unterschiedlichen Polaritäten. D7 und D1 bilden einen
Mittelpunktgleichrichter, der beide Pulse gleichrichtet. Damit ist es
egal, wie rum man den Klappferrit um das Zündkabel legt. Alternativ
geht auch eine einzelne Windung mit einem Brückengleichrichter aus vier
Dioden.
Der Spannungsteiler aus R6, R7 und dem Poti1 erzeugt eine von C2
gepufferte Gleichspannung (Trig_basis). Mit Poti1 kann die
Empfindlichkeit der Schaltung justiert werden: Je niedriger Trig_basis,
desto empfindlicher reagiert die Schaltung. Der Spannungspuls aus dem
Klappferrit wird von Trig_basis abgezogen und zieht den Knoten Trig für
einen kurzen Augenblick in Richtung Masse. Dabei sollte die
Triggerschwelle des NE555 unterschritten werden und der FlipFlop wird
gesetzt. D2 und D3 schützen den Eingang des IC vor Überspannungen aus
dem Sensor. Der Ausgang des NE555 springt auf VDD und schaltet über den
Gatewiderstand R1 den MOSFET ein. Ich habe hier einen IRL3502 genommen,
weil der noch rum lag - es sollte möglichst ein logic level
FET mit ausreichender Strombelastbarkeit sein.
Bei Einschalten des MOSFET fliesst ein Strompuls durch die Leuchtdiode
D_flash, der durch R2 begrenzt wird. Eine LED verträgt kurzzeitig ein
Vielfaches ihres Nennstromes und erzeugt damit einen kurzen aber sehr
hellen Blitz. Die LED kommt aus einer alten Fahrradlampe. Die
Blitzlänge bzw. die Blitzenergie wird durch C6...C9 (einstellbar durch
Jumper) limitiert. Je größer die Kapazität, umso länger leuchtet der
Blitz. Längere Blitze sind heller aber sie machen das Blitzbild auch
etwas unschärfer. Für mich ist eine Jumpereinstellung auf 3.2uF perfekt.
Sobald C6...C9 auf ca. 2/3 Vdd aufgeladen sind, ist der Lichtblitz
beendet und der NE555 wird über den Threshold-Eingang abgeschaltet.
Sobald der Ausgang des NE555 auf Masse schaltet, werden die C6...C9
über D4 und R1 für den nächsten Puls wieder entladen.
Am Discharge-Eingang des NE555 ist eine Signal-LED angeschlossen, die
die Triggerbereitschaft signalisiert. Wenn diese LED nicht mehr
leuchtet, ist vermutlich die Sensitivität an Poti1 zu hoch eingestellt.
VDD sollte 12V...15V sein. Alle Dioden sollten schnelle Typen sein. C4
und C6...C9 können Elkos sein - die anderen sollten Keramik-Typen sein.
Die Schaltung ist erfolgreich getestet an einer Simson KR51/2 mit VAPE-Zündung.



